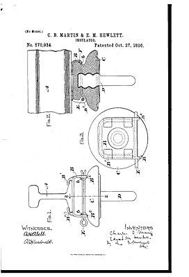
Patent information:
| Patent: | Utility 570,034 |
| Patented: | October 27, 1896 |
| Applied: | August 5, 1896 |
| Title: | Insulator |
| Description: | Third rail insulator |
| Category: | Third Rail |
| Assigned to: | General Electric Co. |
Patentee Information:
Class and subclass information:
| Class: | 191 | ELECTRICITY: TRANSMISSION TO VEHICLES |
| Subclass: | 32 | CONDUCTORS; Third rail; Supports; |
| Class: | 174 | ELECTRICITY: CONDUCTORS AND INSULATORS |
| Subclass: | 171 | INSULATORS; With conductor holding means; Fitting or terminal type; Special conductor form; |
| Class: | 174 | ELECTRICITY: CONDUCTORS AND INSULATORS |
| Subclass: | 188 | INSULATORS; With terminal elements; Cap type; |
Known specimens:
|
Drawings:
Page 1 |
|