[Trade Journal]
Publication: Electrical Review
New York, NY, United States
vol. 47, no. 18, p. 657-660, col. 1-3
The Largest Hydroelectric Installation in Southern Asia - III
Electricity for Industri8al Purposes in India.
By A. C. Hobble
TRANSMISSION LINES.
THE standard line construction makes use of composite poles consisting of a heavy seven-inch wrought-iron socket thirteen inches long with a seven by seven-inch Australian jarrah-wood top which is seventeen feet in length and is let into the iron socket a distance of twenty-one inches, thus making a pole twenty-eight and one-quarter feet long. The poles are set six feet into the ground and are spaced about 130 feet apart. The two Kolar transmission lines, consisting of 1/0 B. & S. copper wire arranged equilaterally with forty inches between wires, run parallel sixty feet apart and are supported on white porcelain insulators of Italian make having five petticoats. Iron pins are cemented into the insulators with Portland cement, and it has been observed that this is one of the causes of an occasional cracked insulator.
| |||
| Step-Down Transformer Station Showing the Two Transmission Line Entrance Towers — Kolar Gold Field. |
Several poles have been rendered unserviceable by lightning strokes. This climate is very severe on wood exposed to the sun—causing "dry rot"—it being undoubtedly advisable (taking also the destructive white ant into consideration) to use iron poles and cross-arms. The slight advantage to be obtained by the use of wooden poles is more than offset by the trouble and cost of necessary renewals and their short life as compared with iron poles.
Profiting from the experience of using wooden poles and porcelain insulators with cemented iron pins on the two Kolar transmission lines, it was decided to use wrought-iron poles with iron cross-arms, and high-tension insulators with wooden-headed pins in the construction of the Bangalore-Sivasamudram transmission line. This line is sixty-two miles long and is composed of No. 5 B. & S. copper wires supported equilaterally forty inches apart on Locke brown porcelain insulators. The latter are eleven inches high and divided into three sections cemented one into the other. Each section forms one petticoat. The diameter of the large umbrella-shaped petticoat of the top section is eleven inches, the middle petticoat is six inches in diameter, and the bottom Petticoat five and one-half inches. An accompanying photograph illustrates the two types of insulators mounted on poles, the larger one being the Locke insulator. The latter has been tested at 100,000 volts at the factory. Thus provision has been made, by the use of these high-voltage insulators, for a future increase of the line pressure should occasion require.
| |||
| Transmission Lines Crossing Level Agricultural Country, and A Bit of the Rough Country — Between Sivasamcdram and the Kolar Gold Field. |
The Bangalore line rum parallel with the two Kolar lines and at one-third, of the distance between them as far as Kankanhalli station. This spacing leaves ample room for a fourth transmission line. 'pie poles are cylindrical, hollow, with one-fourth-inch thickness of metal and are divided into three lap-welded sections measuring six feet, eight feet and fourteen feet in length of top, middle and bottom sections respectively and with outside diameters of three inches, three and one-half inches, and four inches. The total length of the pole is twenty-eight feet. The cross-arm is a two and one-half by two and one-half-inch angle-iron about forty-four inches long. The insulators supporting the two lower wires are bolted to this angle-iron. The top insulator is bolted securely to a small angle-iron, which in turn is bolted inside of the top of the iron pole.
| |||
| Transmission Lines Near Sivasamudram,, Iron Structure in Foreground Supports Bangalore Transmission Line on Locke Insulators. View of Pole Tops and Insulators,, Bangalore Transmission Line, With Locke Insulators, on the Right,, Kolar Transmission Line on the Left. |
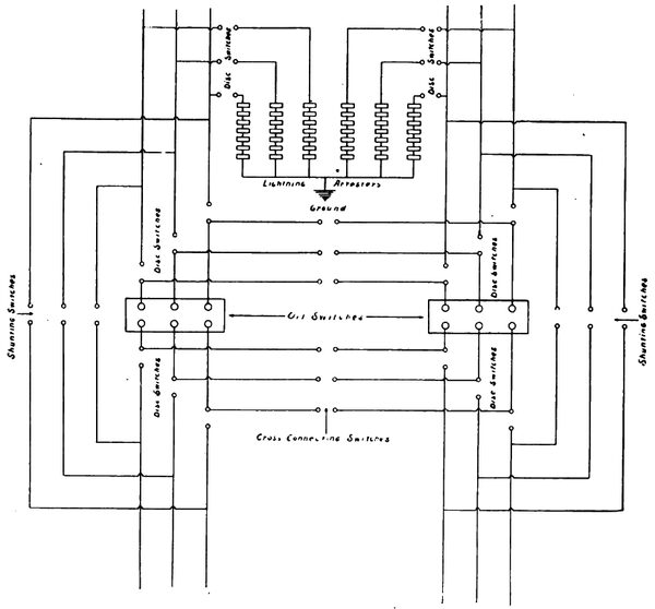
Two section houses are located at such points on the Kolar lines as to divide them into three approximately equal sections. Each section house contains the necessary switching apparatus for either isolating or paralleling the sections of transmission line under its control. This is a most advantageous arrangement as only one-third of one line need be out of service at any one time for repairs, leaving five-sixths of the original copper in service. Herewith is shown the general arrangement of switching apparatus in the section houses; one of which is located at Kankanhalli and the other at Sarjapur. An attendant is always stationed at each section house in case he may be needed at any time for "cutting-out" a section of line.
| |||
| General Scheme of Wiring in Transmission Line Section Houses. |
Another desirable feature is the increased protection of the transmission lines through the installation of lightning arresters in the two section houses. All of the arresters are of the high resistance carbon air-gap type manufactured by the General Electric Company, Schenectady, N. Y. Observance of the effects of lightning discharges on different parts of the transmission lines reveals the fact that those sections at river crossings, although they are the lowest points, generally sustain the most damage. This would tend to prove that the proximity of moisture plays a most important part. Of the several river crossings the longest span is 580 feet. Silicon-bronze cables are used at these points. They are spread out horizontally about ten feet apart and anchored on special reenforced pole structures.
| |||
| Transmission Line Section House at Kankanballi. Near View of Low-Tension Distribution Tower, Transformer Station, Kolar Gold Field. |
The lines cross a country of varied topographical features, including hills, rivers, level agricultural country and country overgrown with jungle. In the ninety-two miles of line between Sivasamudram and Kolar the line wires undergo three complete transpositions. Supported on the poles of one of the duplicate transmission lines, on cross-arms located six feet below those carrying the main wires, is the telephone line establishing communication between Sivasamudram and Kolar and intermediate points on the line. A small telephone exchange is located in the section house at Kankanhalli, at which place the line superintendent is stationed. A branch line from the latter place communicates with the head office at Bangalore. The telephone wires are transposed every fourth pole. Telephone communication is very difficult when a ground occurs on one of the transmission lines. The telephone wires then get an induced charge and the call-bells ring continuously until the source of disturbance is removed. During the dry season the line wires become heavily charged with atmospheric electricity and this also affects the telephone line to some extent. On the whole, however, telephone communication is very satisfactory.
| |||
| Assembly of Induction Motor Driven Ingersoll-Sergeant Air-Compressors at Coromandel Mine — Kolar Gold Field. |
Much trouble and annoyance has been caused by natives cutting the telephone wires and making use of the copper obtained thereby for making jewelry and fancy articles. In order to correct this difficulty, after having used all other means at disposal and failed thereby, it was found effective to charge the line during the night with a pressure of 1,000 volts. In case it is desired to reestablish communication during the night, a lamp and fuse is the signaling device.
KOLAR DISTRIBUTION.
The step-down transformer station at the Kolar gold field is, of course, the electrical centre of distribution of power to the various mines. Here the current is received at a pressure of approximately 30,500 volts and is stepped down to 2,300 volts for distribution. About 3,650 horse- power is used for driving air-compressors, 2,900 horse-power for the operation of stamping mills, while approximately 500 horse-power operates small hoists, pumps and stone-breakers. Motors rating from 100 horse-power up to 400 horse-power are wound for 2,080 volts and the smaller ones for 220 volts.
During the first installation some thirty motors and eleven Ingersoll-Sergeant Drill
[Note: the remaining part of the article was purposely left out due to unimportant details]






